济南品茶spa论坛,群狼谷论坛官网手机版,栖凤阁论坛网站,栖凤阁论坛网站

欢迎访问浙江优机机械科技有限公司网站?。?!

  • 全部咨询热线:
    0577-6713 6666

产品详细产品展示 >> 阀门检测设备 >> JWZ/T型 >> JWZ型双翻阀门测试台、测试设备、检测设备

JWZ型双翻阀门测试台、测试设备、检测设备
JWZ型双翻阀门测试台、测试设备、检测设备
产品详情

>一、概述

JWZ型阀门液压测试台是我公司在积累多年生产阀门检测设备技术的基础上按照国家GB/T1 3927 — 92《通用阀门压力试验》和ZBJl6006-90《阀门的试验与检测》的标准规范要求,自行设计改进新一代JWZ型液压阀门测试台。
本机集机电、液压、试压、液体介质贮存循环使用于一体,具有功能完善、性能稳定、自动化程度高等特点。广泛用于公称通径DNl 5-1000mm的直通式法兰及螺纹连接各类高、中、低压阀门的强度、密封和泄漏量等各项性能测试。测试介质:水、气、油。最高密封试验压力 32.0MPa,强度48 0MPa。
该机全过程由液压传动,电器控制,对被试阀门无任何附加影响试验结果的外力。提高工作效率和减轻劳动强度,是阀门韦 1.造业和使用、维修等单位的一种理想的阀门试验检测设备。

二、工作原理及结构

JWZ型测试台采用以阀门法兰端面定位,活动反爪夹紧法兰背面的装夹方法进行工作。对被测阀门无附加影响测试结果的外力,符合国家标准规定的阀门测试要求。
本机结构大致可分为液压系统、电器控制系统、左右工作台活动夹爪和液动供压装置及介质循环系统等部件组成。右边工作台设有夹紧机构和 90度翻转机构,夹紧机构由夹爪的夹紧装置和径向移动装置组成,夹爪的夹紧装置是采用各油缸直接驱动来实现,使各爪受力均匀,夹紧可靠。夹爪的径向移动装置是采用杠杆式结构,实现了各爪径向同步移动。左边工作台可自动进退。并具有性能好,结构简单紧凑等特点。液压电器控制系统 (详见液压和电器原理图)安装在底层固定架内,是测试台的控制部分,在与电器联合控制下使各机构能协调动作,满足测试程序要求。

三、使用注意事项和要求

一、设备安装:校好设备安置水平或用混凝土固定底脚螺栓。
二、选用N32—46#普通液压油,N32—46#抗磨液压油或20—30#机械油,注入油箱,油量不能低于油位计下限。
三、接通电源,按油泵启动按钮,检查电机转动方向,是否正确(顺时针方向)进行5—1 O分钟空载运转后,调节油泵压力在5 0MPa进行试机,各种动作,检查各管路有无泄漏,发现不良现象,应立即?;懦?。
四、试验的介质:水具有方便,不污染环境等优点,因而应用广泛,要确保对被试阀门不会腐蚀及在测试机介质要求所需要。在水箱中,添加防锈剂或者常用油作试验介质。
五、测试阀门时,首先根据被试阀门试验压力,要求参照《压紧油缸所需压力对照表》中液压压紧系统压力值,进行增压压力调节,严禁增压压力值超高、防止被试阀门变形损坏。
六、液压供压水泵开始工作前,先调节好电接点压力表与被试验阀门压力相同,然后进行工作。
铸铁阀门不得用锤击,阀门在试验中,操作人员应注意安全,正确使用,特别注意测试铸铁阀门时介质压力过高破损,阀门试验完毕,应将阀门内压力排尽后才可放松轴向压机。
七、压力试验装置的压力表必须经当地计量部门鉴定合格其合格证应在有效期内,压力表的量程不能低于测试压力1 5倍,精度不低于 1.5级。
八、注意事项
1测试台工作面应保持干净、清洁、被试阀门的法兰与密封盘,不允许有其定杂物,时刻检查O形国损坏。
2.测试台各部件的活动处,要经常加油,保持清洁润滑使用。
3,液压油要定期检查、更换对新投入使用的设备,使3个月既清洗油箱,更换新油,以后每隔一年进行清洗和更换一次,油量不能低于油位计的下限,油箱内的油液温度不能超过 55~C。

四、 JWz型外观示意图

五、 使用操作方法

一、被试阀门的装夹
按该测试台型号选择通径大不的被试阀门,调整测试台的左向工作装夹位置,将被试的阀门放在测试台左向夹紧工作台的密封盘中心,点动 <左径向进>按钮,将压爪进到被试阀门的法兰背后面的正确位置,按<左轴向紧>按钮<参照夹紧油缸所需压力对照表 >中的液压压紧系统<增>PN值,按<左向增压>按钮,调节<增压调节阀>,将<左增压表>的压力和夫紧油缸所需压力对照表中的阀门通径、压力、 PN值相同,一切正确后,关闭<气总开关、气表开关泄压开关>???lt;水总开关、左向进水>既可作被试阀门密封测试。
二、水压、水泵的使用方法
调整水源电接点压力表,水泵开关<低压水泵>开,先把被试阀门内部水注满,低水压力表为O 5MPa内水已满,关掉水泵开关<低压水泵>关。再按<高压水泵开>调节供水泵压力调节阀,<供水泵,液压系统减压阀J一25B>把液体试压压力达到和被试阀门密封压力及电接点压力表值相同时,高压水泵就自动?;乇?<总水开关>。保压数分钟后,水压表无下降,测试密封完毕,开<泄压开关 >,将被试阀门内的压力泄压,<水压表>为零,可以放松被试阀门或同时继续进行强度测试。
三、被试阀门强度测试装夹
阀门密封测试完毕后,继续进行作强度测试,左向夹紧不变,调整右向测试台装夹装置,按<移动架进>按钮,将移动架一端主盘密封盘,进到被试阀门法兰的另一端相碰,参照左向程序,把右端压紧,并对照 <夹紧油缸所需压力对照表>中的液压夹紧系统压力 <增压>PS值相同,开<右向进水>打开被试阀门密封后,参照<=,水压、水泵使用方法,进行阀门强度测试。
四、被试阀门气密封测试方法,<气源用户自备连接> 作气密封测试时,只能在左端进行密封测试将左边工作主盘向上旋转90度平面,接<向上旋转>按钮,接<1>步骤程度,将被式阀门装夹完毕,关闭 c水总开关、泄压开关、右向进水,??猚气总开关、气表开关,,向被试阀立刻另一端内,注入清水,观察被试阀门内的密封性能及气泡。测试完毕关闭 <气总开关>开<泄压开关>,气压表压力为零后,再将被试阀门卸下。

六、JWZ型液压系统原理图

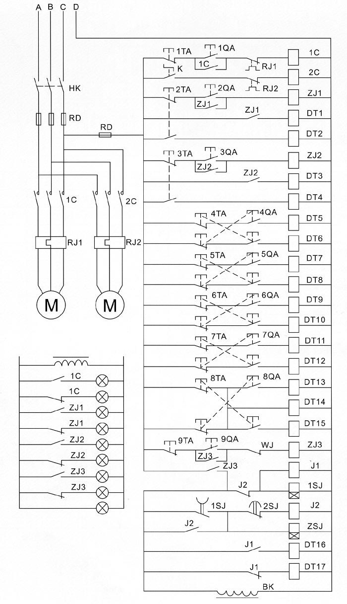
七 电器原理图

电器原理序号



八、JWZ型水气管路原理图


九、JWZ型压力对照表














上一页:[JWZ/T型]   下一页:JWT型顶压式阀门试验台、焊接阀门检测设备  ————  在线报价 电话:0577-21816666 传真:0577-67996922
JWZ抱压式阀门测试台 JWZ抱压式阀门测试机 JWT顶压式阀门试验台 JWZ型阀门测试台、试验台 JWT型顶压式阀门试验台、焊接阀门检测设.. JWZ型双翻阀门测试台、测试设备、检测设..