济南品茶spa论坛,群狼谷论坛官网手机版,栖凤阁论坛网站,栖凤阁论坛网站

欢迎访问浙江优机机械科技有限公司网站?。。?

  • 全部咨询热线:
    0577-6713 6666

产品详细产品展示 >> 阀门研磨机 >> JLM/W/X/Y型 >> JLM型阀门液压研磨机

JLM型阀门液压研磨机
JLM型阀门液压研磨机
产品详情

一、概述
    随着机械工业的迅速发展,液压技术已在通用机床及其他设备上得到广泛地应用,本公司依靠科技,积累多年生产液压驱动
装置设备之经验,成功研制并具有国内外水平的JLM型液压阀门研磨机。本机具有无级调速研磨盘转动,采用机械偏心
式进行工转自转原理,该机设有液压自动升降旋臂,工件自动夹紧及任意调节阀门角度等功能。具有操作方便,功能完善,结构灵
巧,自动化程度高等特点,本机能完成各阀门的阀座、阀瓣环形平面的密封研磨。精度可达:精糙度为1·6的密封面(硬度为HRC36.50)、径15—30Min韵精加工可达O 4吻合度达80%以上。
    通过实践证明,不仅研磨各种阀门的技术要求均达到标准,而且大大提高工作效率和减轻劳动强度,深受阀门制造、石油化工维修等行业的欢迎和好评。

二、工作原理及结构
    JLM型研磨机的结构大致分为液压系统,机械系统和电器控制系统等三大部分组成。通过液压油泵将压力输入各部液压系统,进行高度、行程及角度的工作和控制。旋臂升降由液压油缸执行,中间高度可任选用。主轴转速由变速器直接传动,具有无级
调速。工作台面设有两只自动夹紧装置,由液压油缸直接驱动来实现,使两只夹爪受力均匀,夹紧可靠,夹爪的经向移动采用杠杆原理,使两爪径向同步移动,具有结构紧凑,工作稳定特点。研磨盆可作正反二面之用。正面有油石块组成作干精加工,反面可粘
贴不干胶砂布或普通砂布进行粗研磨加工,(砂布由用户自行购买)。精加工时,研磨方法采用偏心式进行工转自转,研磨润滑冷却液具有自动回油,研磨作用力设有弹性自动伸缩调节功能,以保持工作中心的正确位置。利用砂布研磨时不需冷却油。

三、JLM型外观图

四、使用操作及注意事项
    一、校整本机的固定水平和底脚螺丝的安装。
    二、用30#-40#液压油或20#机械油加入液压系统油箱,油量不能低于油位计中限。
    三、配制研磨润冷却液,加入润滑液池内(配制方法见随机资料)。
    四、开机检查:接通电源,合上空气开关,打开电锁(油泵停止及指示灯亮),按(油泵启动),检查电机方向是否正确(顺时针旋
转),空负荷运转数分钟、调节溢流阀手轮,将油泵压力调节到5.OMPa,检查各接头有否漏油现象(漏油排除),各油缸动作正常即可
操作。
    五、1.初步使用时,将被研磨阀门放在工作台面上,要将被研磨密封面和研具及研磨轴较整中心后,再将被研磨工件压紧,先
点动(压爪前进),后按(压爪夹紧)钮,进行研具开机旋转,调节研具的转速。进行研磨(粗研或精研)。
    2.根据阀门不同,被研密封面是平面将刻度板校整至零。按钮,(调斜度升和调斜度降),研闸阀的阀座和阀瓣将工作台的角度
调节到阀门相同角度度数,按(按钮调斜度升),然后将密封面、研具及研磨轴较整中心后,夹紧工件,研具开机旋转进行研磨(粗研
或精研)。
    3.若按研磨需要调整研磨轴21(见示意图)的摆动偏心量,松开顶紧螺钉,转动内偏心轴,可获得不同的偏心量在旋转时,使研
具和密封面旋转中心移动变化,提高密封面准确性。
    六、研磨程序:1粗研是消除密封面的擦伤、压痕、蚀点等缺陷,提高密封面平整度和降度精糙度,为精研打下基研,采用粗
粒砂布(纸)粒度为80#一280#。
    2.密封面经粗研后,表面纹路较深,但需要精研,采用较细油石进行精研,有效提高密封面精密度能达到技术要求。

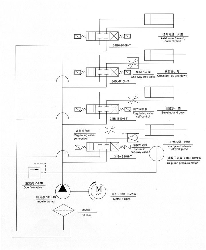
五、JLM液压阀门研磨机液压原理图


六、JLM液压阀门研磨机电器原理图


七、常见故障及排除


八、易损件


上一页:JLW型双头(球阀)球体研磨机   下一页:旋塞阀研磨机  ————  在线报价 电话:0577-21816666 传真:0577-67996922
旋塞阀研磨机 JLM型阀门液压研磨机 JLW型双头(球阀)球体研磨机 JLY阀门密封面研磨机