
|
口径规格 :
|
DN50~2400,NPS2''~96''
|
|
压力范围 :
|
PN1.6~48Mpa,Class150~2500lb
|
|
机体材料 :
|
Q325A
|
|
阀门类型 :
|
蝶阀、平板闸阀、刀型闸阀
|
|
驱动操作 :
|
液压驱动、PLC电脑控制、按钮控制
|
|
连接方式 :
|
法兰式、对夹式
|
|
荣获证书 :
|
新产品、国家专利等
|
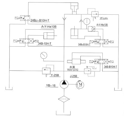
一、JLD型液压蝶阀测试台工作原理及使用方法
JLD型蝶阀测试台是公司自主研发的新一代抓紧式液压蝶阀测试台并拥有国家技术专利知识产权,专利号ZL2016 1 0240324.1本机适用于蝶阀强度和密封水压和气压试验的检测设备。本机集机、电、液和液动供压装置循环水系统于一体,工作台夹紧爪采用油缸直接驱动夹紧蝶阀来实现测试,使各爪受力均匀,夹紧可靠、夹紧爪的径向移动功能采用油缸、连杆组成,实现各爪径向同步移动,保证了各大小不同通径的蝶阀测试,测试密封时,如有带法兰的蝶阀夹紧法兰、无法兰的蝶阀由液压夹爪直接伸延夹住蝶阀平面即可测试。该机能直观蝶阀内腔有否泄漏或冒气泡,如试强度时加盖上密封盲板即可,在该机上可做阀门电动装置力矩及 90度开闭测试。该机随带液压供水泵、介质可循环储藏使用。使用清水时,必须加防锈剂,以免使阀门试后生锈及影响液动供压装置正常的使用功能。
使用方法:
一、用30#-40#液压油或20#机械油注入液压系统油箱内,油量不能低于油面指示器下限。
二、接通电源,点动油泵起动按钮,检查电机旋转方向是否正确(按顺时针)。
三、将液压系统压力调至5.0MPa,即可以进行正常工作。
四、工作程序:(1)点动夹爪退到最大位置;(2)将被试蝶阀放在工作台密封盘中心;(3)点动夹爪小进至被测蝶阀所需位置;
(4)点动夹紧爪,夹紧被测蝶阀(法兰或平面);(5)按增压扭至所需压力(夹紧油缸所需压力对照表)(贴在机上)。增压按钮可多次点动,每次间隔若三秒钟左右, (指第一次按下未达到所需压力时)。最高压力32MPa;(6)进行水压或气压对被试蝶阀进行测试;(7)测试完 毕后,打开放水或气开关,泄掉压力即可; (8)先后按各放松钮,将被测阀门取下。
二使用注意事项和要求
一、设备安装:校好设备安置水平或用混凝土固定底脚螺栓。
二、选用N32 — 46#普通液压油,N32-46#抗磨液压油或20 — 30#机械油,注入油箱,油量不能低于油位计下限。
三、接通电源,按油泵启动按钮,检查电机转动方向,是否正确(顺时针方向)进行5 — 10分钟空载运转后,调节油泵压力在5 0MPa进行试机,各种动作,检查各管路有无泄漏,发现不良现象,应立即?;懦?nbsp;
四、试验的介质:水具有方便,不污染环境等优点,因而应用广泛,要确保对被试阀门不会腐蚀及在测试机介质要求所需要。在水箱中,添加防锈剂或者常用油作试验介质。
五、测试阀门时,首先根据被试阀门试验压力,要求参照《压紧油缸所需压力对照表》中液压压紧系统压力值,进行增压压力调节,严禁增压压力值超高、防止被试阀门变形损坏。
六、液压供压水泵开始工作前,先调节好电接点压力表与被试验阀门压力相同,然后进行工作。
铸铁阀门不得用锤击,阀门在试验中,操作人员应注意安全,正确使用,特别注意测试铸铁阀门时介质压力过高破损,阀门试验完毕,应将阀门内压力排尽后才可放松轴向压机。
七、压力试验装置的压力表必须经当地计量部门鉴定合格其合格证应在有效期内,压力表的量程不能低于测试压力1.5倍,精度不低于 1.5级。
八、注意事项
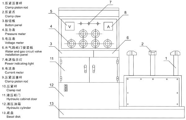
1.测试台工作面应保持干;争、清洁、被试阀门的法兰与密封盘,不允许有其定杂物,时刻检查O形圈损坏。
2测试台各部件的活动处,要经常加油,保持清洁润滑使用。
3。液压油要定期检查、更换对新投入使用的设备,使3个月既清洗油箱,更换新油,以后每隔一年进行清洗和更换一次,油量不能低于油位计的下限,油箱内的油液温度不能超过 55~C。
三、JLD、 型液压蝶阀测试台(套式)外观示意图
.jpg)






.jpg)
.jpg)
.jpg)
.jpg)
.jpg)
.jpg)




.jpg)








